K-66 // Dokumentacja
k66.pl
Sprzęt
Schemat elektryczny
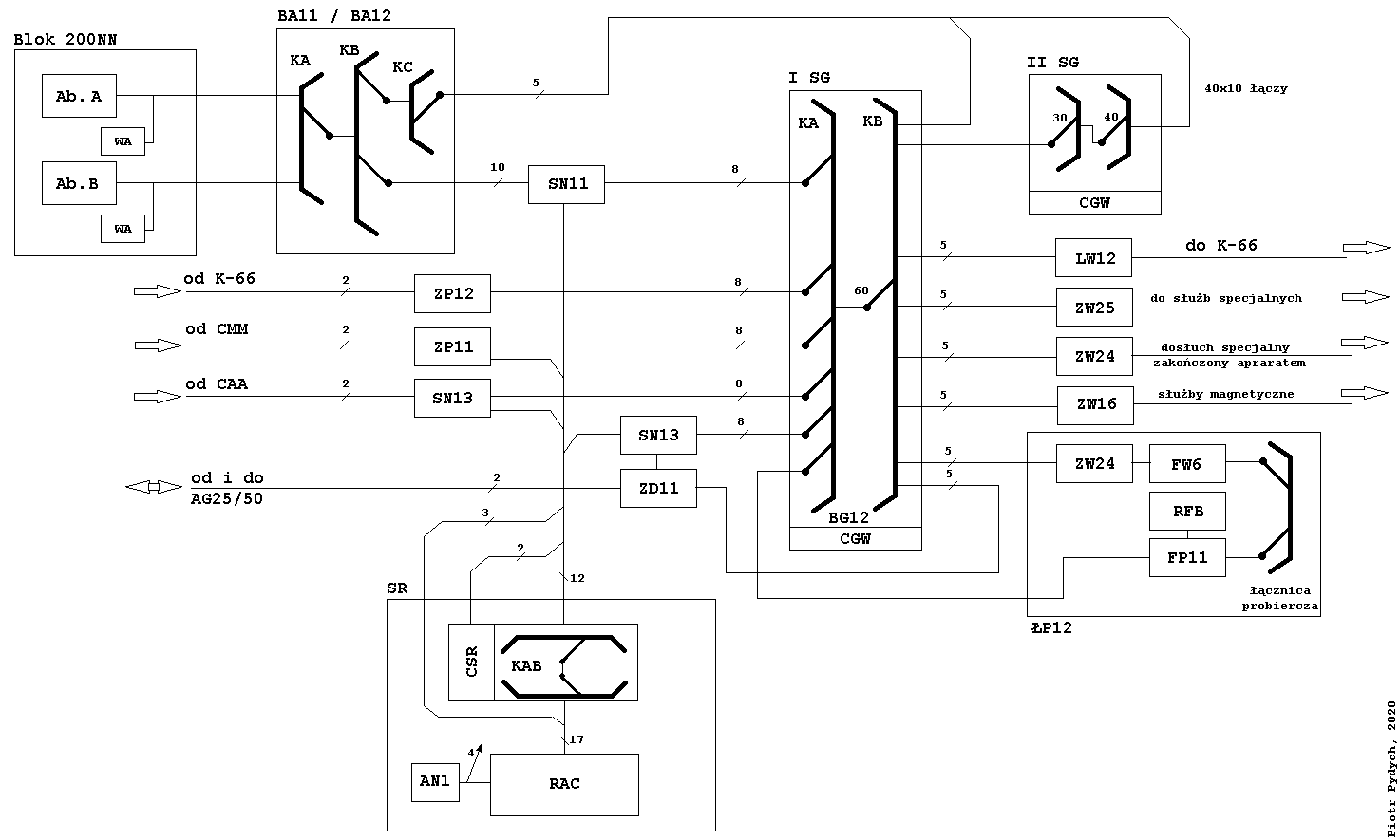
Schemat blokowy
Schemat blokowy
Rys.: 1. Schemat blokowy centrali K-66